Description
Pemko STC411APK Acoustic Full Mortise Auto Door Bottom
The Pemko STC411APK Acoustic Full Mortise Auto Door Bottom is designed to improve sound control in doors. When the door closes, it automatically lowers a drop bar seal. As a result, it creates a tight “sealed-in-place” barrier that helps reduce sound transfer. When the door opens, the seal retracts smoothly, so the door moves freely without drag.
Because it is fully mortised, this automatic door bottom sits flush inside the door for a clean look. In addition, it is non-handed, which means it works on both right- and left-handed doors. Therefore, it is a flexible solution for commercial buildings, hotels, schools, healthcare facilities, and decorative doors that require strong acoustic performance.
Key Features
- Designed specifically for acoustic openings
- Independently tested for “sealed-in-place” performance
- Fully mortise design for concealed installation
- Non-handed (fits left- and right-handed doors)
- Smoother action positive seal mechanism
- Aluminum case with movable drop-bar seal
- Jamb-contacting plunger ensures automatic actuation during door closure
- End plate kits included
- Suitable for general-purpose gasketing, weatherstripping, and commercial glazing seals
Benefits
- Excellent sound attenuation performance
- Rubber-like insert materials process like thermoplastics
- Flexibility and durability comparable to natural rubber compounds
- Outstanding resistance to cleaning fluids and disinfectants
- Low opening resistance for smooth door operation
- Supports compliance with ANSI S12.60-2002 acoustical standards for schools
- Helps school projects qualify for LEED IEQ School Credits for enhanced acoustical performance
- Provides long-term resilience in high-traffic environments
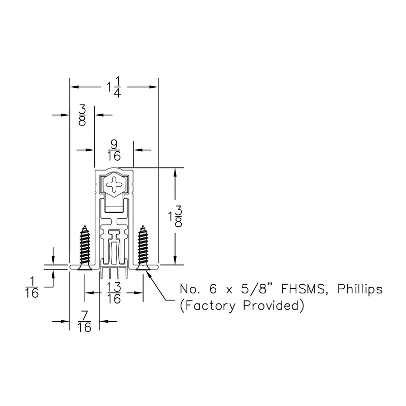
Specifications
- Base Material: Aluminum
- Fasteners: FHSMS #6 x 5/8″
- Maximum Length: 72″
- Minimum Length: 12″
- Overall Height: 1-3/8″
- Width: 9/16″
Certifications & Compliance
- GREENGUARD Gold Certified
- Environmental Product Declaration (EPD)
- UL 1784 – Air Leakage Tests
- UL 10C – Positive Pressure Fire Tests
- ASTM E-283-04 (2012)
- ASTM E90-2009
- ANSI/BHMA A156.22 – Door Gasketing and Edge Seal Systems
The Pemko STC411APK Acoustic Full Mortise Auto Door Bottom delivers dependable acoustic sealing performance while maintaining smooth door operation, making it a trusted solution for projects where sound control and compliance are critical.
Finish Available
- STC411APK – Mill Finish Aluminum









Reviews
There are no reviews yet.